脱硫蝶阀的应用;
在大气污染中,二氧化硫是一种重要的污染物,60%以上的二氧化硫污染物来自工业烟气排放。随着我国环境标准的逐步提高和完善,以及人们环境意识的提高,我国未来有工业烟气排放的项目必须进行脱硫处理。烟气脱硫装置中的重要部件之一是阀门,要求阀门耐氯化物、氧化物和酸,以及苛刻的磨料磨损和泥浆磨损及腐蚀。正确选择阀门材料和结构形式,延长阀门使用寿命是烟气脱硫阀门的关键。
高性能脱硫蝶阀是专门为电厂脱硫脱销项目设计的。
广泛应用于石油、化工、食品、医药、造纸、水电、船舶、给排水、冶金、能源等系统的管道,适用于各种腐蚀性气体、液体、半液体和固体粉末介质。
产品参数:
脱硫蝶阀主要性能规格
适用温度 | 适用介质 |
天然胶≤85℃ | 石膏浆液、石灰石浆液、 回收水、工艺水、废水 |
三元乙丙胶≤100℃ |
主要零件材料
名称 | 材料 |
阀体 | 灰铸铁、球墨铸铁、碳钢 |
蝶板 | 碳钢包覆橡胶、 碳钢包覆氟塑料、不锈钢 双相不锈钢板 1.4529、C276 |
阀座 | 天然橡胶、三元乙丙、橡胶 |
阀杆 | 不锈钢、 2Cr13、304 |

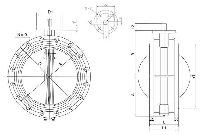
国标PN 1.0Mpa
DN | A | B | b | f | D | K | d | F | N*d0 | L | L1 | D1 | D2 | N-d1 | a° | J | X | L2 | Φ2 | 重量kg |
50 | 83 | 120 | 19 | 3 | 165 | 125 | 99 | 13 | 4*Φ19 | 108 | 111 | 65 | 50 | 4-Φ7 | 45 | 13.8 | 3 | 32 | 12.6 | 7.6 |
65 | 93 | 130 | 19 | 3 | 185 | 145 | 118 | 13 | 4*Φ19 | 112 | 115 | 65 | 50 | 4-Φ7 | 45 | 13.8 | 3 | 32 | 12.6 | 9.7 |
80 | 100 | 145 | 19 | 3 | 200 | 160 | 132 | 13 | 8*Φ19 | 114 | 117 | 65 | 50 | 4-Φ7 | 45 | 13.8 | 3 | 32 | 12.6 | 10.6 |
100 | 114 | 155 | 19 | 3 | 220 | 180 | 156 | 13 | 8*Φ19 | 127 | 130 | 90 | 70 | 4-Φ10 | 45 | 17.77 | 5 | 32 | 15.77 | 13.8 |
125 | 125 | 170 | 19 | 3 | 250 | 210 | 184 | 13 | 8*Φ19 | 140 | 143 | 90 | 70 | 4-Φ10 | 45 | 20.92 | 5 | 32 | 18.92 | 18.2 |
150 | 143 | 190 | 19 | 3 | 285 | 240 | 211 | 13 | 8*Φ23 | 140 | 143 | 90 | 70 | 4-Φ10 | 45 | 20.92 | 5 | 32 | 18.92 | 21.7 |
200 | 170 | 205 | 20 | 3 | 340 | 295 | 266 | 13 | 8*Φ23 | 152 | 155 | 125 | 102 | 4-Φ12 | 45 | 24.1 | 5 | 45 | 22.1 | 31.8 |
250 | 198 | 235 | 22 | 3 | 395 | 350 | 319 | 13 | 12*Φ23 | 165 | 168 | 125 | 102 | 4-Φ12 | 45 | 31.45 | 8 | 45 | 28.45 | 44.7 |
300 | 223 | 280 | 24.5 | 4 | 445 | 400 | 370 | 20 | 12*Φ23 | 178 | 182 | 125 | 102 | 4-Φ12 | 45 | 34.6 | 8 | 45 | 31.6 | 57.9 |
350 | 270 | 310 | 24.5 | 4 | 505 | 460 | 429 | 20 | 16*Φ23 | 190 | 194 | 150 | 125 | 4-Φ14 | 45 | 34.6 | 8 | 45 | 31.6 | 81.6 |
400 | 300 | 340 | 24.5 | 4 | 565 | 515 | 480 | 20 | 16*Φ28 | 216 | 221 | 175 | 140 | 4-Φ18 | 45 | 36.15 | 10 | 51 | 33.15 | 106 |
450 | 340 | 375 | 25.5 | 4 | 615 | 565 | 530 | 20 | 20*Φ28 | 222 | 227 | 175 | 140 | 4-Φ18 | 45 | 40.95 | 10 | 51 | 38 | 147 |
500 | 355 | 430 | 26.5 | 4 | 670 | 620 | 582 | 22 | 20*Φ28 | 229 | 234 | 175 | 140 | 4-Φ18 | 45 | 44.12 | 10 | 57 | 41.15 | 165 |
600 | 410 | 500 | 30 | 5 | 780 | 725 | 682 | 22 | 20*Φ31 | 267 | 272 | 210 | 165 | 4-Φ22 | 45 | 51.62 | 16 | 70 | 50.65 | 235 |
700 | 478 | 560 | 32.5 | 5 | 895 | 840 | 794 | 30 | 24*Φ31 | 292 | 299 | 300 | 254 | 8-Φ18 | 22.5 | 71.35 | 18 | 66 | 63.35 | 238 |
800 | 529 | 620 | 35 | 5 | 1015 | 950 | 901 | 30 | 24*Φ34 | 318 | 325 | 300 | 254 | 8-Φ18 | 22.5 | 71.35 | 18 | 66 | 63.35 | 475 |
900 | 584 | 665 | 37.5 | 5 | 1115 | 1050 | 1001 | 34 | 28*Φ34 | 330 | 337 | 300 | 254 | 8-Φ18 | 22.5 | 84 | 20 | 118 | 75 | 595 |
1000 | 657 | 735 | 40 | 5 | 1230 | 1160 | 1112 | 34 | 28*Φ37 | 410 | 417 | 300 | 254 | 8-Φ18 | 22.5 | 95 | 22 | 142 | 85 | 794 |
1200 | 799 | 917 | 45 | 5 | 1455 | 1380 | 1328 | 34 | 32*Φ40 | 470 | 478 | 350 | 298 | 8-Φ22 | 22.5 | 117 | 28 | 150 | 105 | 1290 |
1400 | 919 | 1040 | 46 | 5 | 1675 | 1590 | 1530 | 40 | 36*Φ44 | 530 | 538 | 415 | 356 | 8-Φ33 | 22.5 | 134 | 32 | 200 | 120 | 2130 |
1500 | 965 | 1050 | 47.5 | 5 | 1785 | 1700 | 1630 | 40 | 36*Φ44 | 570 | 580 | 415 | 356 | 8-Φ32 | 22.5 | 156 | 36 | 200 | 140 | 3020 |
1600 | 1045 | 1150 | 49 | 5 | 1915 | 1820 | 1700 | 50 | 40*Φ50 | 600 | 610 | 415 | 356 | 8-Φ32 | 22.5 | 156 | 36 | 200 | 140 | 3560 |
1800 | 1280 | 1290 | 52 | 5 | 2115 | 2020 | 1914 | 55 | 44*Φ50 | 670 | 682 | 475 | 406 | 8-Φ40 | 22.5 | 178 | 40 | 280 | 160 | 4620 |
2000 | 1350 | 1323 | 55 | 5 | 2325 | 2230 | 2130 | 55 | 48*Φ50 | 760 | 772 | 475 | 406 | 8-Φ40 | 22.5 | 178 | 40 | 280 | 160 | 6160 |
2200 | 1430 | 1500 | 60 | 5 | 2555 | 2440 | 2320 | 55 | 52*Φ56 | 636 | 648 | 560 | 483 | 12-Φ40 | 15 | 200 | 45 | 300 | 180 | 6730 |
2400 | 1523 | 1560 | 68 | 5 | 2760 | 2650 | 2530 | 55 | 56*Φ56 | 750 | 762 | 686 | 603 | 20-Φ40 | 9 | 242 | 50 | 400 | 220 | 9586 |
国标PN 1.6Mpa
DN | A | B | b | f | D | K | d | F | N*d0 | L | L1 | D1 | D2 | N-d1 | a° | J | X | L2 | Φ2 | 重量kg |
50 | 83 | 120 | 19 | 3 | 165 | 125 | 99 | 13 | 4*Φ19 | 108 | 111 | 65 | 50 | 4-Φ7 | 45 | 13.8 | 3 | 32 | 12.6 | 7.6 |
65 | 93 | 130 | 19 | 3 | 185 | 145 | 118 | 13 | 4*Φ19 | 112 | 115 | 65 | 50 | 4-Φ7 | 45 | 13.8 | 3 | 32 | 12.6 | 9.7 |
80 | 100 | 145 | 19 | 3 | 200 | 160 | 132 | 13 | 8*Φ19 | 114 | 117 | 65 | 50 | 4-Φ7 | 45 | 13.8 | 3 | 32 | 12.6 | 10.6 |
100 | 114 | 155 | 19 | 3 | 220 | 180 | 156 | 13 | 8*Φ19 | 127 | 130 | 90 | 70 | 4-Φ10 | 45 | 17.77 | 5 | 32 | 15.77 | 13.8 |
125 | 125 | 170 | 19 | 3 | 250 | 210 | 184 | 13 | 8*Φ19 | 140 | 143 | 90 | 70 | 4-Φ10 | 45 | 20.92 | 5 | 32 | 18.92 | 18.2 |
150 | 143 | 190 | 19 | 3 | 285 | 240 | 211 | 13 | 8*Φ23 | 140 | 143 | 90 | 70 | 4-Φ10 | 45 | 20.92 | 5 | 32 | 18.92 | 21.7 |
200 | 170 | 205 | 20 | 3 | 340 | 295 | 266 | 13 | 12*Φ23 | 152 | 155 | 125 | 102 | 4-Φ12 | 45 | 24.1 | 5 | 45 | 22.1 | 31.8 |
250 | 198 | 235 | 22 | 3 | 405 | 355 | 319 | 13 | 12*Φ28 | 165 | 168 | 125 | 102 | 4-Φ12 | 45 | 31.45 | 8 | 45 | 28.45 | 44.7 |
300 | 223 | 280 | 24.5 | 4 | 460 | 410 | 370 | 20 | 12*Φ28 | 178 | 182 | 125 | 102 | 4-Φ12 | 45 | 34.6 | 8 | 45 | 31.6 | 59 |
350 | 270 | 310 | 26.5 | 4 | 520 | 470 | 429 | 20 | 16*Φ28 | 190 | 194 | 150 | 125 | 4-Φ14 | 45 | 36.15 | 10 | 45 | 33.15 | 86 |
400 | 300 | 340 | 28 | 4 | 580 | 525 | 480 | 20 | 16*Φ31 | 216 | 221 | 175 | 140 | 4-Φ18 | 45 | 40.95 | 10 | 51 | 37.95 | 119 |
450 | 340 | 375 | 30 | 4 | 640 | 585 | 530 | 20 | 20*Φ31 | 222 | 227 | 175 | 140 | 4-Φ18 | 45 | 45.96 | 12 | 51 | 42.86 | 165 |
500 | 355 | 430 | 31.5 | 4 | 715 | 650 | 582 | 22 | 20*Φ34 | 229 | 234 | 210 | 165 | 4-Φ22 | 45 | 49.22 | 14 | 57 | 45.72 | 185 |
600 | 410 | 500 | 36 | 5 | 840 | 770 | 682 | 22 | 20*Φ37 | 267 | 272 | 300 | 254 | 8-Φ18 | 22.5 | 57.98 | 15 | 70 | 53.98 | 263 |
700 | 478 | 560 | 39.5 | 5 | 910 | 840 | 794 | 30 | 24*Φ37 | 292 | 299 | 300 | 254 | 8-Φ18 | 22.5 | 71.35 | 18 | 66 | 63.35 | 361 |
800 | 529 | 620 | 43 | 5 | 1025 | 950 | 901 | 30 | 24*Φ41 | 318 | 325 | 350 | 298 | 8-Φ22 | 22.5 | 79 | 20 | 66 | 70 | 484 |
900 | 584 | 665 | 46.5 | 5 | 1125 | 1050 | 1001 | 34 | 28*Φ41 | 330 | 337 | 350 | 298 | 8-Φ22 | 22.5 | 90 | 22 | 118 | 80 | 598 |
1000 | 657 | 735 | 50 | 5 | 1255 | 1170 | 1112 | 34 | 28*Φ44 | 410 | 417 | 350 | 298 | 8-Φ22 | 22.5 | 100 | 25 | 142 | 90 | 824 |
1200 | 799 | 917 | 57 | 5 | 1485 | 1380 | 1328 | 34 | 32*Φ50 | 470 | 478 | 415 | 356 | 8-Φ33 | 22.5 | 117 | 28 | 150 | 105 | 1223 |
1400 | 919 | 1040 | 60 | 5 | 1685 | 1590 | 1530 | 40 | 36*Φ50 | 530 | 538 | 415 | 356 | 8-Φ33 | 22.5 | 134 | 32 | 200 | 120 | 2386 |
1500 | 965 | 1050 | 62.5 | 5 | 1820 | 1710 | 1630 | 40 | 36*Φ57 | 570 | 580 | 415 | 356 | 8-Φ32 | 22.5 | 156 | 36 | 200 | 140 | 3475 |
1600 | 1045 | 1150 | 65 | 5 | 1930 | 1820 | 1700 | 50 | 40*Φ57 | 600 | 610 | 415 | 365 | 8-Φ32 | 22.5 | 156 | 36 | 200 | 140 | 4055 |
1800 | 1156 | 1260 | 70 | 5 | 2130 | 2020 | 1914 | 55 | 44*Φ57 | 670 | 682 | 475 | 406 | 8-Φ40 | 22.5 | 178 | 40 | 280 | 160 | 5570 |
2000 | 1350 | 1323 | 75 | 5 | 2345 | 2230 | 2130 | 55 | 48*Φ62 | 760 | 772 | 475 | 406 | 8-Φ40 | 22.5 | 178 | 40 | 280 | 160 | 7240 |
规格size | A | H | D0 | C | d | b | D | K | N-d0 | N-T | D1 | D2 | N-d1 | F | Φ | W | J | 重量 | |
mm | inch | Kg | |||||||||||||||||
DN80 | 3 | 159 | 32 | 78.8 | 127 | 120 | 19.1 | 191 | 152.4 | 4-19 | 90 | 70 | 4-10 | 20 | 12.7 | 3 | 13.9 | 12.6 | |
DN100 | 4 | 178 | 32 | 104 | 127 | 144 | 23.9 | 229 | 190.5 | 8-19 | 90 | 70 | 4-10 | 20 | 15.9 | 5 | 17.9 | 18.7 | |
DN150 | 6 | 203 | 40 | 155.7 | 127 | 197 | 25.4 | 279 | 241.3 | 8-22.4 | 90 | 70 | 4-10 | 20 | 25.4 | 8 | 28.4 | 24.1 | |
DN 200 | 8 | 242 | 51 | 202.41 | 152 | 252 | 28.5 | 343 | 298.4 | 8-22.4 | 125 | 102 | 4-12 | 22 | 28.6 | 8 | 31.6 | 31.8 | |
DN 250 | 10 | 274 | 76 | 250.42 | 203 | 305 | 30.3 | 406 | 361.9 | 12-25.4 | 125 | 102 | 4-12 | 22 | 34.9 | 10 | 37.9 | 50.7 | |
DN 300 | 12 | 313 | 76 | 301.5 | 203 | 350 | 31.8 | 483 | 431.8 | 12-25.4 | 125 | 102 | 4-12 | 24 | 38.1 | 10 | 41.1 | 74.8 | |
DN 350 | 14 | 356 | 76 | 333.32 | 203 | 415 | 35.1 | 533 | 476.2 | 12-28.4 | 125 | 102 | 4-12 | 24 | 44.5 | 12 | 47.5 | 94.8 | |
DN 400 | 16 | 382 | 76 | 389.61 | 203 | 460 | 36.6 | 597 | 539.8 | 12-28.4 | 4-1 | 175 | 140 | 4-18 | 24 | 50.8 | 14 | 54.3 | 127.5 |
DN 450 | 18 | 420 | 89 | 440.51 | 203 | 510 | 39.7 | 635 | 577.8 | 12-31.8 | 4-11/8 | 175 | 140 | 4-18 | 26 | 54 | 16 | 58 | 161.1 |
DN 500 | 20 | 459 | 89 | 491.64 | 203 | 560 | 43 | 699 | 635 | 16-31.8 | 4-11/8 | 210 | 165 | 4-22 | 26 | 60.3 | 18 | 64.3 | 225.2 |
DN 600 | 24 | 572 | 89 | 592.5 | 203 | 660 | 47.8 | 813 | 749.3 | 16-35.0 | 4-11/4 | 210 | 165 | 4-20 | 26 | 69.9 | 20 | 74.4 | 278.3 |
美标













