产品介绍:
阀门为偏心金属密封结构,密封形式为金属对金属密封,金属密封采用可更换金属密封圈,金属密封采用不锈钢板和石墨复合板密封圈。硬密封蝶阀的驱动形式除了电驱动外,还有手动驱动、蜗轮驱动、气动驱动等。硬密封蝶阀的蝶板安装在管道直径方向。在蝶阀阀体的圆柱形通道中,盘形蝶板绕轴线旋转,旋转角度在0-90度之间,当旋转到90度时,阀门将完全打开。目前,硬密封蝶阀作为实现管道系统启闭和流量控制的部件,已经广泛应用于石油、化工、冶金、水电等多个领域。阀座密封表层堆焊耐热耐腐蚀合金材料。多层柔性密封圈固定在阀板上。与传统蝶阀相比,这种蝶阀具有耐高温、操作方便、启闭无摩擦、关闭时随着传动机构扭矩的增加而补偿密封的优点,提高了蝶阀的密封性能,延长了使用寿命。
其主要特点是:
1.本产品采用三重偏心设计,即
(1)阀杆中心与阀体中心线相对偏心。
(2)阀杆中心与蝶板密封面相对偏心。
(3)蝶板的密封面相对于阀杆中心偏转一个角度。
由于这三个偏心,在阀门开启的瞬间,蝶板密封面圆周上的所有点都能与阀座分离,使蝶板与阀座之间没有相对摩擦,不仅对操作扭矩产生作用,提高了操作灵活性,还延长了密封副的使用寿命。
2.由于有偏心锥面,当阀门关闭时,可以将阀门关闭得越来越紧,并且可以实现自锁,这样阀门就不会因为驱动扭矩过大而过度关闭。
3.由于这种阀门蝶板的密封面材料是不锈钢结合复合材料,既能保证密封面的强度,又能保证密封性能。
4.该类产品的背压密封性能测试至少可达0.8MPa
5.蝶板与阀座之间的密封效果通过“渐进”保持不变,即密封副磨损后,可以通过蝶板位置的前移进行补偿。
6.阀杆安装牢固可靠,阀杆下部安装固定环,阀杆穿出阀体不会发生事故。
7.适用介质及工作条件:本产品可用于水、空气、气体、油、酸、碱等腐蚀性介质的管道上;工作温度-30- 350
8.连接形式:法兰、夹紧、焊接。
9.传动方式:蜗轮传动、电动、气动。
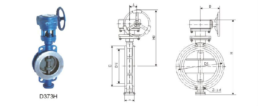
产品小样:

产品参数:
主要性能参数: | |
公称压力 | PN 1.0/1.6/2.5/4.0Mpa |
适用温度 | ≤425℃ |
适用介质 | 水、蒸汽、油品、酸类 |
主要零部件 | 阀体、阀瓣、阀杆、密封圈、填料 |
主要材料 | 碳钢、不锈钢 |
公称压力PN(Mpa) | 公称通径DN(mm) | 尺寸 Dimension(mm) | 重量(kg) weight | ||||||||||
L | D1 | D | n-d | H | H0 | A | A1 | B | B1 | D0 | |||
1.0 | 50 | 108 | 125 | 165 | 4-18 | 125 | 435 | 128 | 53 | 130 | 53 | 160 | 30 |
65 | 112 | 145 | 185 | 4-18 | 130 | 439 | 128 | 53 | 130 | 53 | 160 | 37 | |
80 | 114 | 160 | 200 | 8-18 | 140 | 475 | 128 | 53 | 130 | 53 | 160 | 45 | |
100 | 127 | 180 | 220 | 8-18 | 155 | 495 | 128 | 53 | 130 | 53 | 160 | 74 | |
125 | 140 | 210 | 250 | 8-18 | 180 | 535 | 128 | 53 | 130 | 53 | 160 | 100 | |
150 | 140 | 240 | 285 | 8-22 | 195 | 645 | 178 | 84 | 195 | 84 | 230 | 110 | |
200 | 152 | 295 | 340 | 8-22 | 220 | 703 | 178 | 84 | 195 | 84 | 230 | 150 | |
250 | 165 | 350 | 395 | 12-22 | 240 | 765 | 178 | 84 | 195 | 84 | 230 | 190 | |
300 | 178 | 400 | 445 | 12-22 | 285 | 948 | 209 | 110 | 258 | 110 | 300 | 230 | |
350 | 190 | 460 | 505 | 16-22 | 315 | 1005 | 209 | 110 | 258 | 110 | 300 | 290 | |
400 | 216 | 515 | 565 | 16-26 | 355 | 1078 | 269 | 150 | 319 | 150 | 350 | 350 | |
450 | 222 | 565 | 615 | 20-26 | 385 | 1175 | 269 | 150 | 319 | 150 | 350 | 450 | |
500 | 229 | 620 | 670 | 20-26 | 430 | 1240 | 269 | 150 | 319 | 150 | 350 | 550 | |
600 | 267 | 725 | 780 | 20-30 | 505 | 1375 | 269 | 150 | 319 | 150 | 350 | 710 | |
700 | 292 | 840 | 895 | 24-30 | 525 | 1536 | 340 | 201 | 425 | 201 | 450 | 850 | |
800 | 318 | 950 | 1015 | 24-33 | 585 | 1656 | 340 | 201 | 425 | 201 | 450 | 1100 | |
900 | 330 | 1050 | 1115 | 28-33 | 635 | 1761 | 421 | 238 | 355 | 238 | 450 | 1300 | |
1000 | 410 | 1160 | 1230 | 28-36 | 705 | 2110 | 421 | 238 | 355 | 238 | 500 | 1600 | |
1200 | 470 | 1380 | 1455 | 32-39 | 835 | 2910 | 421 | 238 | 355 | 238 | 500 | 1980 | |
1400 | 530 | 1590 | 1675 | 36-42 | 975 | 2560 | 600 | 2840 | |||||
1600 | 600 | 1820 | 1915 | 40-48 | 1100 | 2780 | 600 | 4500 | |||||
1800 | 670 | 2020 | 2115 | 44-48 | 5800 | ||||||||
2000 | 760 | 2230 | 2325 | 44-48 | |||||||||
1.6 | 50 | 108 | 125 | 165 | 4-18 | 125 | 435 | 128 | 53 | 130 | 53 | 160 | 30 |
65 | 112 | 145 | 185 | 4-18 | 130 | 439 | 128 | 53 | 130 | 53 | 160 | 37 | |
80 | 114 | 160 | 200 | 8-18 | 140 | 475 | 128 | 53 | 130 | 53 | 160 | 45 | |
100 | 127 | 180 | 220 | 8-18 | 155 | 495 | 128 | 53 | 130 | 53 | 160 | 75 | |
125 | 140 | 210 | 250 | 8-18 | 180 | 535 | 128 | 53 | 130 | 53 | 160 | 105 | |
150 | 140 | 240 | 285 | 8-22 | 195 | 645 | 178 | 84 | 195 | 84 | 230 | 115 | |
200 | 152 | 295 | 340 | 12-22 | 220 | 703 | 178 | 84 | 195 | 84 | 230 | 160 | |
250 | 165 | 355 | 405 | 12-26 | 240 | 765 | 178 | 84 | 195 | 84 | 230 | 220 | |
300 | 178 | 410 | 460 | 12-26 | 285 | 948 | 209 | 110 | 258 | 110 | 300 | 260 | |
350 | 190 | 470 | 520 | 12-26 | 315 | 1005 | 209 | 110 | 258 | 110 | 300 | 340 | |
400 | 216 | 525 | 580 | 16-30 | 355 | 1078 | 269 | 150 | 319 | 150 | 350 | 410 | |
450 | 222 | 585 | 640 | 20-30 | 385 | 1175 | 269 | 150 | 319 | 150 | 350 | 490 | |
500 | 229 | 650 | 715 | 20-33 | 430 | 1240 | 269 | 150 | 319 | 150 | 350 | 600 | |
600 | 267 | 770 | 840 | 20-36 | 505 | 1375 | 269 | 150 | 319 | 150 | 350 | 780 | |
700 | 292 | 840 | 910 | 24-36 | 525 | 1536 | 340 | 201 | 425 | 201 | 450 | 960 | |
800 | 318 | 950 | 1025 | 24-39 | 585 | 1656 | 340 | 201 | 425 | 201 | 450 | 1150 | |
900 | 330 | 1050 | 1125 | 28-39 | 635 | 1761 | 421 | 238 | 355 | 238 | 450 | 1500 | |
1000 | 410 | 1170 | 1255 | 28-42 | 705 | 2110 | 421 | 238 | 355 | 238 | 500 | 1800 | |
1200 | 470 | 1390 | 1485 | 32-48 | 835 | 2910 | 421 | 238 | 355 | 238 | 500 | 2300 | |
公称压力PN(Mpa) | 公称通径DN(mm) | 尺寸 Dimension(mm) | 重量(kg) weight | |||||||||
L | D1 | D | n-d | H | H0 | A | A1 | B | B1 | |||
2.5 | 50 | 108 | 125 | 165 | 4-18 | 125 | 592 | 297 | 121 | 192 | 116 | 50 |
65 | 112 | 145 | 185 | 8-18 | 130 | 600 | 297 | 121 | 192 | 116 | 58 | |
80 | 114 | 160 | 200 | 8-18 | 140 | 720 | 297 | 121 | 192 | 116 | 65 | |
100 | 127 | 190 | 235 | 8-22 | 155 | 740 | 297 | 121 | 192 | 116 | 105 | |
125 | 140 | 220 | 270 | 8-26 | 190 | 803 | 297 | 121 | 192 | 116 | 120 | |
150 | 140 | 250 | 300 | 8-26 | 205 | 860 | 360 | 225 | 290 | 116 | 140 | |
200 | 152 | 310 | 360 | 8-26 | 235 | 930 | 360 | 225 | 290 | 116 | 180 | |
250 | 165 | 370 | 425 | 12-30 | 268 | 995 | 360 | 225 | 290 | 116 | 260 | |
300 | 178 | 430 | 485 | 16-30 | 298 | 1107 | 360 | 225 | 290 | 116 | 340 | |
350 | 190 | 490 | 555 | 16-33 | 332 | 1235 | 469 | 233 | 327 | 186 | 450 | |
400 | 216 | 550 | 620 | 16-36 | 365 | 1275 | 469 | 233 | 327 | 186 | 590 | |
450 | 222 | 600 | 670 | 20-36 | 390 | 1350 | 469 | 233 | 327 | 186 | 660 | |
500 | 229 | 660 | 730 | 20-36 | 430 | 1470 | 524 | 386 | 345 | 203 | 780 | |
600 | 267 | 770 | 845 | 20-39 | 505 | 1600 | 524 | 386 | 345 | 203 | 1100 | |
700 | 292 | 875 | 960 | 24-42 | 540 | 1800 | 524 | 386 | 345 | 203 | 1200 | |
800 | 318 | 990 | 1085 | 24-48 | 603 | 1600 | ||||||
900 | 330 | 1090 | 1185 | 28-48 | 653 | 1900 | ||||||
1000 | 410 | 1210 | 1320 | 28-56 | 720 | 2300 | ||||||
4.0 | 50 | 108 | 125 | 165 | 4-18 | 125 | 682 | 297 | 121 | 192 | 116 | 55 |
65 | 112 | 145 | 185 | 8-18 | 130 | 690 | 297 | 121 | 192 | 116 | 65 | |
80 | 114 | 160 | 200 | 8-18 | 140 | 720 | 297 | 121 | 192 | 116 | 80 | |
100 | 127 | 190 | 235 | 8-22 | 150 | 750 | 297 | 121 | 192 | 116 | 110 | |
125 | 140 | 220 | 270 | 8-26 | 190 | 813 | 360 | 225 | 290 | 116 | 128 | |
150 | 140 | 250 | 300 | 8-26 | 205 | 870 | 360 | 225 | 290 | 116 | 150 | |
200 | 152 | 320 | 375 | 12-30 | 235 | 930 | 360 | 225 | 290 | 116 | 190 | |
250 | 165 | 385 | 450 | 12-33 | 280 | 1020 | 360 | 225 | 290 | 186 | 272 | |
300 | 178 | 450 | 515 | 16-33 | 315 | 1168 | 469 | 233 | 327 | 186 | 350 | |
350 | 190 | 510 | 580 | 16-36 | 350 | 1260 | 469 | 233 | 327 | 186 | 465 | |
400 | 216 | 585 | 660 | 16-39 | 390 | 1380 | 524 | 233 | 345 | 203 | 605 | |
450 | 222 | 610 | 685 | 20-39 | 403 | 1450 | 524 | 386 | 345 | 203 | 680 | |
500 | 229 | 670 | 755 | 20-42 | 430 | 1510 | 524 | 386 | 345 | 203 | 810 | |













