蓝色滤光片是工业生产中不可缺少的管道附件。蓝色过滤器一般安装在管道上,可以过滤流体中的固体杂质,保证管道设备系统的正常运行,使流体更加纯净,获得理想的工业产品。当蓝色滤网需要清洗时,应打开上盖取出滤网,清洗后可以重新安装滤网。因此,蓝色滤光片的使用和维护非常方便。已广泛应用于石油、化工、制药、食品等行业,深受用户青睐。
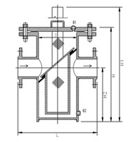
直通平底蓝色滤光片(SD1)类型
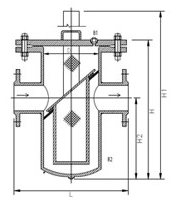
直通弧形底部蓝色滤光片(SD2)类型
|
|
|
蓝式过滤器参数材料表:
壳体材质 | PP 碳钢 不锈钢 衬里 |
滤框滤网材质 | 不锈钢 |
密封件材质 | 耐油石棉橡胶、金属缠绕垫、聚四氟乙烯 |
工作温度(℃) | -80~450 |
连接方式 | 法兰连接、对焊连接、螺纹连接 |
公称压力(MPa) | 0.6~16.0 (150Lb~900Lb) |
过滤精度(目/in) | 5~800 |
蓝式过滤器表格计算单位:(mm)
DN | 25 | 40 | 50 | 80 | 100 | 125 | 150 | 200 | 250 | 300 |
SIZE | 1” | 11/2” | 2” | 3” | 4” | 5” | 6” | 8” | 10” | 12” |
D1 | 76 | 108 | 108 | 159 | 219 | 273 | 325 | 377 | 426 | 478 |
L | 180 | 260 | 260 | 399 | 459 | 513 | 565 | 617 | 666 | 718 |
H | 260 | 300 | 300 | 417 | 508 | 617 | 724 | 793 | 893 | 997 |
H1 | 410 | 560 | 560 | 719 | 881 | 1079 | 1276 | 1397 | 1544 | 1739 |
H2 | 160 | 170 | 170 | 214 | 272 | 345 | 404 | 446 | 495 | 563 |















