产品介绍:
升降式止回阀是指依靠介质本身的流动自动开启和关闭阀瓣,依靠阀瓣的自重和流体压差自动停止流体介质回流的阀门,也称为止回阀、单向阀、逆流阀和背压阀。止回阀是一种自动阀,其主要作用是防止介质倒流,防止泵和驱动电机反转,并释放容器内的介质。止回阀也可用于向压力可能高于系统压力的管道中的辅助系统供水。
产品特性:
该产品结构合理,密封可靠,性能优良,外形美观。
产品可根据不同工况选择宅男免费视频APP或硬密封。密封面采用钴基硬质合金硬面,具有较好的耐磨性、耐腐蚀性和耐磨性,使用寿命长。
开启压力小,在较小的压差下,阀瓣可以完全开启。
内置引脚结构减少了外部泄漏点,使用可靠。
中腔采用自紧密封结构,密封性能随着压力的增加而增强,保证了密封性能。
可根据实际工况或用户要求合理选择材料、法规和对焊端尺寸,以满足各种工程需要。
产品样本:
主要结构特征
1、用料讲究,符合国内外相关标准,材料整体质量高。
2.法兰升降止回阀密封副先进合理,阀瓣和阀座密封面采用铁基合金或钨铬钴合金钴基硬质合金堆焊,耐磨性好,耐高温,耐腐蚀,耐刮擦,使用寿命长。
3.法兰升程止回阀按照国家标准GB/T12235设计制造。
4.可采用各种管道法兰标准和法兰密封类型,以满足各种工程需要和用户要求。
5.阀体材料齐全,可根据实际工况或用户要求合理选择垫片,适用于压力、温度、介质的各种工况。可根据用户要求设计制造不同结构形式和连接形式的止回阀,可用于各种设备。
法兰升程止回阀适用于公称压力PN 1.6 ~ 6.4 MPa,工作温度-29 ~ 550的管道,适用于石油、化工、热力站等各种工况。适用介质:水、油、蒸汽等。
主要性能规格
型号 | 公称压力 | 试验压力P3(MPa) | 适用温度(℃) | 适用介质 | ||
密封 | 气密封 | 壳体 | ||||
H41Y-25I | 2.5 | 2.75 | 0.6 | 3.75 | ≤550 | 蒸汽、水、 |
H41Y-40I | 4.0 | 4.4 | 0.6 | 6.0 | ||
H41Y-64I | 6.4 | 7.04 | 0.6 | 9.6 | ||
H41Y-100I | 10.0 | 11.0 | 0.6 | 15.0 | ||
H41Y-25P | 2.5 | 2.75 | 0.6 | 3.75 | ≤150 | 弱腐蚀性 |
H41Y-40P | 4.0 | 4.4 | 0.6 | 6.0 | ||
H41Y-64P | 6.4 | 7.04 | 0.6 | 9.6 | ||
H41Y-100P | 10.0 | 11.0 | 0.6 | 15.0 | ||
主要零件材料
零件名称 | 阀体、阀盖、阀瓣 | 阀体、阀瓣密封面 | 垫片 | 螺栓 | |
材料 | I | 铬钼钢 | 硬质合金 | 钢带石棉缠绕式垫片 | 铬钼钒钢 |
P | 铬镍钛不锈钢 | 硬质合金 | 聚四氟乙稀 | 不锈钢 | |
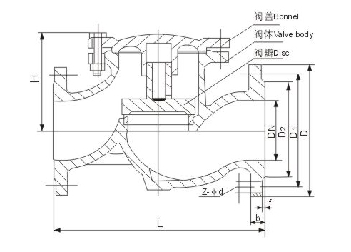
主要尺寸及重量
公称通径 DN(㎜) | 尺寸(㎜) | 重量 (㎏) | ||||||||
L | D | D1 | D2 | b | f | Z-фd | H | D3 | ||
15 | 130 | 95 | 65 | 45 | 16 | 2 | 4-ф14 | 100 | - | 5 |
20 | 150 | 105 | 75 | 55 | 16 | 2 | 4-ф14 | 105 | - | 7 |
25 | 160 | 115 | 85 | 65 | 16 | 2 | 4-ф14 | 115 | 110 | 9 |
32 | 190 | 135 | 100 | 78 | 18 | 2 | 4-ф18 | 120 | 120 | 10 |
40 | 200 | 145 | 110 | 85 | 18 | 3 | 4-ф18 | 140 | 135 | 15 |
50 | 230 | 160 | 125 | 100 | 20 | 3 | 4-ф18 | 150 | 150 | 20 |
65 | 290 | 180 | 145 | 120 | 22 | 3 | 8-ф18 | 160 | 175 | 25 |
80 | 310 | 195 | 160 | 135 | 22 | 3 | 8-ф18 | 175 | 200 | 32 |
100 | 350 | 230 | 190 | 160 | 24 | 3 | 8-ф23 | 200 | 230 | 57 |
125 | 400 | 270 | 220 | 188 | 28 | 3 | 8-ф25 | 230 | 273 | - |
150 | 480 | 300 | 250 | 218 | 30 | 3 | 8-ф25 | 265 | 330 | - |
200 | 600 | 360 | 310 | 278 | 34 | 3 | 12-ф25 | 300 | 365 | - |














