产品介绍:
止回阀用于管道系统,主要用于防止介质回流,反转泵和驱动电机,防止容器内介质排出。止回阀也可用于对为可能超过主系统压力的辅助系统提供供应的管路施加压力。水平或垂直安装均可用于冷水、热水、工业和国内污水网络,更适合潜水排污泵、介质温度0-80。可以安装在泵出口处,以防止回流和锤对泵造成损坏。
产品特性:
产品结构合理,密封可靠,性能优良,造型美观。
产品可根据工作条件选择宅男免费视频APP或硬密封,密封面焊接Co基硬质合金,耐磨性强,耐腐蚀耐磨,使用寿命长。
如果打开压力小,阀门可以在很小的压力下完全打开。
采用内销轴结构,减少外漏点,使用稳定。
中钢采用自紧密封结构,随着压力的增加,密封性能得到提高,保证了密封性能。
零件材料及法律、对接焊接端部尺寸可根据实际工作条件或用户要求合理选择,满足各种工程需求。
产品样品:
主要结构特点
旋启式止回阀的采用内装摇臂旋启式结构,阀门的所有启闭件都装于阀体内部,不穿透阀体,除了中法兰部位用密封垫片和密封环外,整体没有外漏点,杜绝阀门外泄的可能。 旋启式止回阀摇臂和阀瓣连接处采用球面连接的结构,使得阀瓣在360度范围内有一定的自由度,有适当的微量位置补偿。旋启式止回阀已被广泛应用于化工、冶金、制药等多个领域。
主要性能规范
型号 | 公称压力 | 试验压力PS(MPa) | 工作温度(℃) | 适用介质 | 工作温度(℃) | ||||||
壳体 | 密封 | 120 | 200 | 350 | 425 | 450 | 350 | ||||
最高工作压力 P/MPa | |||||||||||
H44Y-4DI | 4.0 | 6.0 | 4.0 | ≤550 | 水、蒸汽、油品 | - | 4.0 | 4.0 | 3.4 | - | 1.0 |
H44M-4O | ≤450 | 二甲乙苯 | - | - | - | - | 1.8 | - | |||
H44Y-40P | ≤120 | ||||||||||
H44W-40P | -20~150 | 苯菲尔溶液 | 3.7 | - | - | - | - | - | |||
H44W-40R | -20~150 | 硝酸类 | - | - | - | - | - | - | |||
H44Y-40P1 | ≤550 | 醋酸类 | - | - | - | - | - | - | |||
H44W-40P1 | 蒸气、空气、油品 | - | 4.0 | - | - | - | 2.2 | ||||
H44Y-64P1 | 5.1 | 9.6 | 6.4 | - | 4.0 | - | - | - | 2.2 | ||
H44Y-64I | 水、蒸气、油品 | - | 6.4 | - | - | - | 3.6 | ||||
- | - | 5.3 | 4.6 | - | 1.6 | ||||||
主要零件材料
零件名称 | 阀体、阀盖、摇杆 | 阀瓣 | 销轴 | 螺栓 | 螺母 | 垫片 |
H44Y-4DI | 铬钼铸钢 | 铬钼钛铸钢 | 铬不锈钢 | 铬钼钒钢 | 铬钼钢 | 不锈钢带与石棉板 聚四氟乙烯 |
H44M-4O | 碳素铸钢 | 优质碳钢 | ||||
H44Y/W-40P | 铬镍钛铸钢 | 铬镍钢 | 不锈钢 | |||
H44W-40R | 铬镍钛铸钢 | - | 聚四氟乙烯 | |||
H44Y/W-40P1 | 铬镍钛耐热钢 | - | ||||
H44Y-64P1 | ||||||
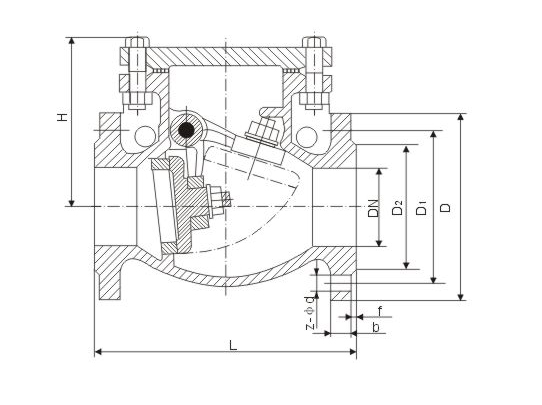
主要尺寸及重量
H44Y-40I、H44M-40、H44Y-40P、H44Y-40P1、H44W-40P1、H44W40P、H44W-40R主要尺寸及重量
公称通径 DN/mm | 尺寸/mm | 重量 /㎏ | ||||||||
L | D | D1 | D2 | D6 | b | Z-фd | D3 | H | ||
50 | 230 | 160 | 125 | 100 | 88 | 20 | 4-ф18 | 185 | 172 | 20 |
65 | 290 | 180 | 145 | 120 | 110 | 22 | 8-ф18 | 210 | 182 | 30 |
80 | 310 | 195 | 160 | 135 | 121 | 22 | 8-ф18 | 210 | 192 | 35 |
100 | 350 | 230 | 190 | 160 | 150 | 24 | 8-ф23 | 260 | 217 | 50 |
125 | 400 | 270 | 220 | 188 | 176 | 28 | 8-ф25 | 295 | 250 | 75 |
150 | 480 | 300 | 250 | 218 | 204 | 30 | 8-ф25 | 330 | 270 | 105 |
200 | 550 | 375 | 320 | 282 | 260 | 38 | 12-ф30 | 390 | 320 | 160 |
250 | 650 | 445 | 385 | 345 | 313 | 42 | 12-ф34 | 445 | 356 | 240 |
H44Y-64、H44Y-64P主要尺寸及重量
公称通径 DN/mm | 尺寸/mm | 重量 /㎏ | ||||||||
L | D | D1 | D2 | D6 | b | Z-фd | D3 | H | ||
50 | 300 | 175 | 135 | 105 | 88 | 26 | 4-ф23 | 200 | 177 | 27 |
65 | 340 | 200 | 160 | 130 | 110 | 28 | 8-ф23 | 225 | 197 | 37 |
80 | 380 | 210 | 170 | 140 | 121 | 30 | 8-ф23 | 250 | 212 | 53 |
100 | 430 | 250 | 200 | 168 | 150 | 32 | 8-ф25 | 315 | 248 | 90 |
125 | 500 | 295 | 240 | 202 | 176 | 36 | 8-ф30 | 365 | 298 | 135 |
150 | 550 | 340 | 280 | 240 | 204 | 38 | 8-ф34 | 410 | 330 | 187 |
200 | 650 | 405 | 345 | 300 | 260 | 44 | 12-ф34 | 480 | 385 | 212 |
250 | 775 | 470 | 400 | 352 | 313 | 48 | 12-ф41 | 565 | 445 | 403 |
订购注意事项:
H44H旋启式止回阀产品电子样本所涵盖的参数表、性能表、尺寸表、图片、文字描述及产品结构等信息,仅为止回阀H44H旋启式止回阀说明书的一部分,供选型参考之用,详细阀门产品说明书、CAD图纸、安装图、尺寸图、阀门重量及详细的工作原理、价格等请来电咨询。














