特色用途
H41X节能消音止回阀一般适用于给排水管道。阀瓣由入口两端的中心轴引导,开启和关闭灵活,可水平或垂直安装。H41X节能消音止回阀的阀瓣设计为弹簧加载,其快速关闭可有效消除水锤,密封性能好,关闭时无噪音。H41X节能消音止回阀具有体积小、重量轻、流体阻力小、耐疲劳、使用寿命长的优点。

主要性能规范
型 号 | 公称压力MPa | 壳体试验 压力MPa | 密封试验 压力MPa | 适用介质 | 工作温度 ℃ |
H41X-10 | 1.0 | 1.5 | 1.1 | 水及弱腐蚀性流体 | ≤80 |
H41X-16 | 1.6 | 2.4 | 1.76 | 水及弱腐蚀性流体 | ≤80 |
主要零件材料
型 号 | 阀 体 | 密 封 圈 | 弹 簧 |
H41X-10 | 铸铁或不锈钢 | 丁腈橡胶(NBR) | 不锈钢丝lCr18Ni9Ti |
H41X-16 | 铸钢或不锈钢 | 丁腈橡胶(NBR) | 不锈钢丝lCr18Ni9Ti |
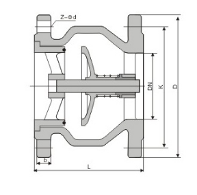
主要连接和外形尺寸
公称压力 | 公称通径 | 尺寸(mm) | 公称压力 | 公称通径 | 尺寸(mm) | ||||||||
L | D | K | b | z-фd | L | D | K | b | z-фd | ||||
1.0 | 40 | 112 | 145 | 110 | 18 | 4-18 | 1.6 | 40 | 112 | 145 | 110 | 18 | 4-18 |
50 | 120 | 160 | 125 | 20 | 4-18 | 50 | 120 | 160 | 125 | 20 | 4-18 | ||
65 | 130 | 180 | 145 | 20 | 4-18 | 65 | 130 | 180 | 145 | 20 | 4-18 | ||
80 | 150 | 195 | 160 | 22 | 8-18 | 80 | 150 | 195 | 160 | 22 | 8-18 | ||
100 | 165 | 215 | 180 | 24 | 8-18 | 100 | 165 | 215 | 180 | 24 | 8-18 | ||
125 | 190 | 245 | 210 | 26 | 8-18 | 125 | 190 | 245 | 210 | 26 | 8-18 | ||
150 | 210 | 280 | 240 | 26 | 8-22 | 150 | 210 | 280 | 240 | 26 | 8-22 | ||
200 | 255 | 335 | 295 | 28 | 8-22 | 200 | 255 | 335 | 295 | 30 | 12-22 | ||
250 | 310 | 390 | 350 | 28 | 12-22 | 250 | 310 | 405 | 355 | 32 | 12-26 | ||
300 | 320 | 440 | 400 | 28 | 12-22 | 300 | 320 | 460 | 410 | 32 | 12-26 | ||
350 | 380 | 500 | 460 | 30 | 16-22 | 350 | 380 | 520 | 470 | 36 | 16-26 | ||
400 | 405 | 565 | 515 | 32 | 16-26 | 400 | 405 | 580 | 525 | 38 | 16-30 | ||
450 | 430 | 615 | 565 | 32 | 20-26 | 450 | 430 | 640 | 585 | 40 | 20-30 | ||
500 | 450 | 670 | 620 | 34 | 20-26 | 500 | 450 | 715 | 650 | 42 | 20-33 | ||
600 | 510 | 780 | 725 | 36 | 20-30 | 600 | 510 | 840 | 770 | 48 | 20-36 | ||













